2023年度廣東省科學技術獎擬獎公示
粵科公示〔2024〕14號
2023年度廣東省科學技術獎評審工作已經結束,根據《廣東省科學技術獎勵辦法》有關規定,現將2023年度廣東省科學技術獎擬獎項目予以公示。
自公示之日起10日內(2024年5月20日-29日),任何單位或者個人對擬獎結果有異議,應當以書面形式向省獎勵辦提出,并按要求提供身份證明、有效聯系方式以及必要的證據材料。單位提出異議的,須寫明單位名稱、聯系人、聯系電話和詳細地址,由單位法定代表人簽字并加蓋公章;個人提出異議的,須寫明本人真實姓名、工作單位、聯系電話和詳細地址,親筆簽名并提供身份證明文件。凡是單位法定代表人未簽字、未蓋公章或者冒名、匿名提出的異議材料不予受理。
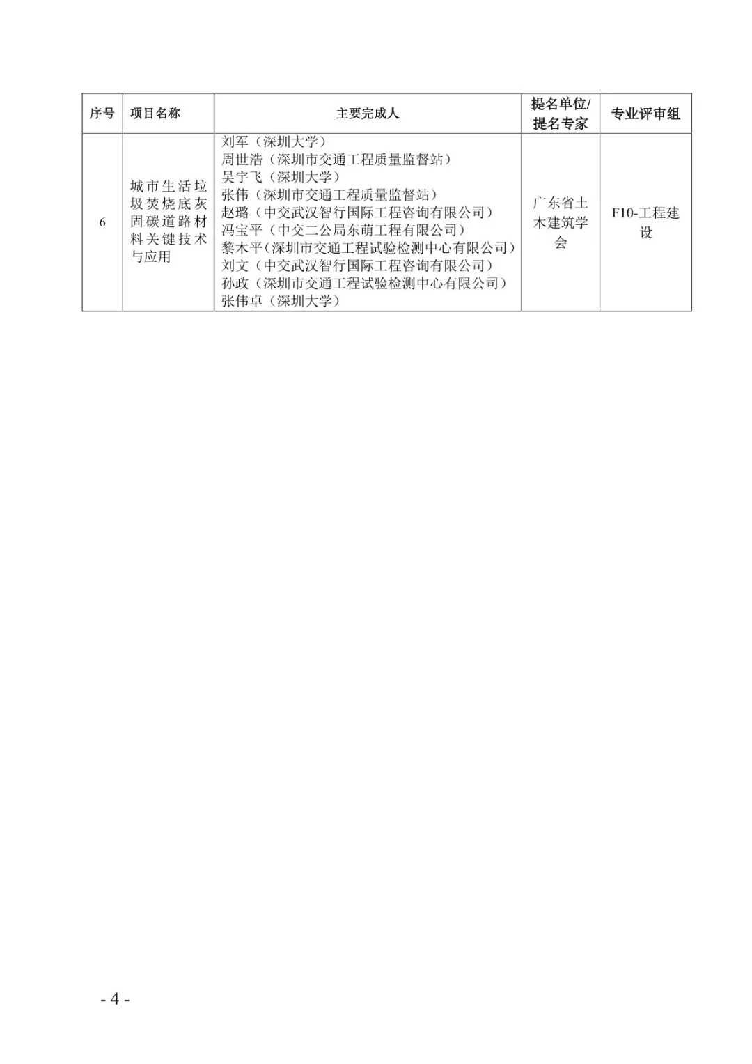
名單如下:
免責聲明:
① 凡本站注明“稿件來源:中國教育在線”的所有文字、圖片和音視頻稿件,版權均屬本網所有,任何媒體、網站或個人未經本網協議授權不得轉載、鏈接、轉貼或以其他方式復制發表。已經本站協議授權的媒體、網站,在下載使用時必須注明“稿件來源:中國教育在線”,違者本站將依法追究責任。
② 本站注明稿件來源為其他媒體的文/圖等稿件均為轉載稿,本站轉載出于非商業性的教育和科研之目的,并不意味著贊同其觀點或證實其內容的真實性。如轉載稿涉及版權等問題,請作者在兩周內速來電或來函聯系。




中國教育在線







































